
Come domotizzare una Tenda da sole con Shelly 2
📝 Articolo aggiornato il 20 Gennaio 2026
Hai mai pensato di poter aprire e chiudere la tua tenda da sole con un semplice tocco sullo smartphone o con un comando vocale?
Con il modulo Shelly 2, rendere smart la tua tenda da sole è non solo possibile, ma anche sorprendentemente semplice.
In questo tutorial ti guidiamo passo dopo passo con foto dettagliate e spiegazioni chiare, per mostrarti come rendere più intelligente e comodo il tuo spazio esterno.
Un piccolo upgrade, grandi benefici in termini di comfort e automazione.
✅ Ideale per chi ama la domotica, o semplicemente vuole dire addio alla manovella!
⚠️ Prima di iniziare: una nota importante
Anche se questa guida è pensata per essere chiara e completa, parliamo comunque di impianti elettrici.
Intervenire sulla corrente di casa può essere pericoloso e, se fatto in modo errato, comportare rischi gravi per cose e persone.
🔌 Questo tutorial è a scopo puramente educativo.
Per sicurezza, ti consigliamo di rivolgerti a un elettricista qualificato.
❗ Non ci assumiamo alcuna responsabilità per eventuali danni a persone o cose derivanti da un utilizzo improprio di queste indicazioni.
Se vuoi realizzare un impianto a regola d’arte, possiamo aiutarti:
📞 Contattaci per un preventivo personalizzato e senza impegno!
Cosa ti serve
Ecco l’elenco dei materiali che userai per domotizzare la tua tenda da sole.
(Segna qui quelli che hai già, e aggiungi pure i codici prodotto o link se vuoi semplificare l’acquisto.)
🛠️ Preparazione
Prima di tutto, utilizziamo un cercafase per identificare correttamente i cavi:
verifica che la fase sia di colore marrone o nero e che il neutro sia blu.
✅ Una volta effettuata la verifica, scollega la corrente generale per poter lavorare in completa sicurezza.
Successivamente, prepara i cavi del motore della tenda e i relativi cavi di alimentazione per il modulo Shelly 2.
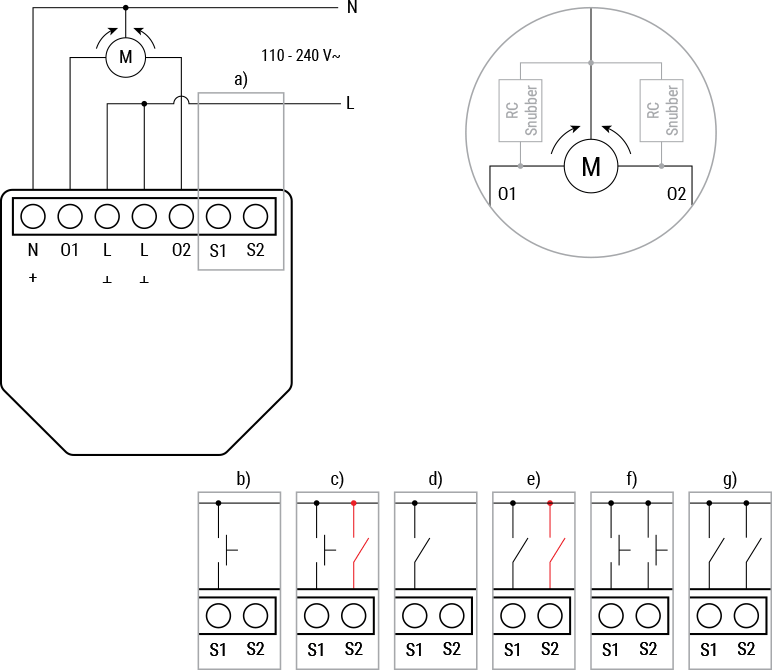
Il circuito finale che andremo a realizzare sarà il seguente:
🔌 Collegamenti
I collegamenti per domotizzare una tenda da sole con Shelly sono relativamente semplici, ma è fortemente consigliato l’uso di capicorda: migliorano il contatto elettrico e riducono il rischio di cortocircuiti all’interno della morsettiera.
Ecco come procedere:
-
Neutro (blu): collega il cavo neutro sia al motore della tenda che al morsetto “N” del dispositivo Shelly.
-
Fase (marrone o nero): va collegata ai due morsetti contrassegnati con “L” sullo Shelly.
-
Messa a terra (giallo-verde): collega il cavo di terra al motore e, se presente, anche alla struttura metallica della tenda per garantire la sicurezza dell’impianto.
Ora passiamo al collegamento del motore:
-
Collega i due cavi di fase del motore ai morsetti O1 e O2 dello Shelly.
Non preoccuparti dell’ordine: potrai sempre invertire il senso di rotazione direttamente dall’app Shelly, nelle opzioni nella sezione “Inverti Direzione”.
Per quanto riguarda i pulsanti o interruttori fisici:
-
Collegali agli ingressi S1 e S2 dello Shelly.
-
⚠️ Attenzione: assicurati che su questi interruttori sia presente la fase e non il neutro.
Usa un cercafase per verificarlo.
Se rilevi che è presente il neutro, sarà necessario sostituirlo con la fase, in modo che questa venga correttamente trasmessa agli ingressi S1 e S2.
Configurazione dello Shelly 2 per Tenda da Sole
Una volta ripristinata la corrente, il dispositivo Shelly 2 si accenderà automaticamente. A questo punto, sei pronto per aggiungerlo all’app ufficiale Shelly, disponibile gratuitamente su App Store e Google Play.
Creazione dell’account
Al primo accesso, ti verrà richiesto di creare un account Shelly.
Inserisci i tuoi dati, conferma via email e accedi all’applicazione.
Aggiunta del dispositivo Shelly
Premi il pulsante “+” in basso per iniziare la procedura di configurazione.
Scegli “Aggiungi dispositivo” per avviare la scansione.
Connessione Wi-Fi (Scansione AP)
Seleziona l’opzione “Aggiunta tramite Wi-Fi (Scansione AP)”.
L’app inizierà a cercare i dispositivi Shelly disponibili nelle vicinanze.
-
Quando richiesto, seleziona “Any” come tipo di dispositivo (va bene per tutti i modelli compatibili).
-
Inserisci le credenziali della tua rete Wi-Fi.
📶 Consiglio importante:
Se il tuo router ha reti separate 2.4GHz e 5GHz, collega lo smartphone, prima di avviare la configurazione, alla rete 2.4GHz che è solitamente più compatibile con lo Shelly.
Se invece utilizzi una rete unificata, il dispositivo selezionerà automaticamente la frequenza adatta.
Selezione del profilo dispositivo per domotizzare una tenda da sole con Shelly 2
Una volta collegato, entra nelle impostazioni del dispositivo, vai su “Profilo dispositivo” e seleziona l’opzione “Tapparella”.
Conferma e salva la configurazione.
Configurazione dei comandi (interruttore o pulsante)
Ora definisci il tipo di comando fisico collegato:
-
Vai in “Tipo di ingresso” nelle impostazioni.
-
Scegli tra Pulsante o Interruttore, in base al frutto che hai installato.
-
Salva la selezione.
Calibrazione del motore
Per permettere allo Shelly di capire i limiti di corsa della tenda da sole:
-
Entra nelle impostazioni e seleziona “Calibrazione”.
-
Premi “Avvia Calibrazione”: la tenda si aprirà e chiuderà automaticamente alcune volte per rilevare i punti di fine corsa.
Conclusione
A questo punto, il tuo sistema è pronto: hai appena completato la procedura per domotizzare una tenda da sole con Shelly 2!
Ora puoi controllare l’apertura e la chiusura direttamente da smartphone, anche da remoto, oppure tramite comandi vocali compatibili con Google Home o Alexa.
💡 Se desideri un impianto professionale o hai bisogno di assistenza nella configurazione, contattaci: ti offriamo un preventivo gratuito e senza impegno.
Contattaci
Hai bisogno di aiuto per progettare il tuo giardino? Siamo qui per te! Compila il modulo qui sotto o chiamaci direttamente.











